当前位置:首页 > 知产资源 > 正文
一种新型精制2‑巯基苯并噻唑的绿色清洁工艺
【字体:                   分享到:

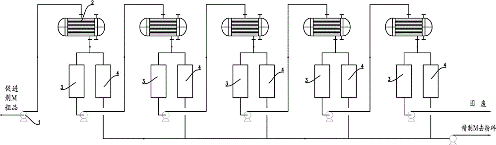
本发明属于化学化工领域,具体涉及一种新型精制2‑巯基苯并噻唑的绿色清洁工艺。该工艺包括以下内容:在液态促进剂M粗品中预先加入质量分数1%~10%的溶剂后进入多级熔融结晶系统进行固液分离,促进剂M在多级熔融结晶系统中的结晶器内梯度降温结晶,梯度降温的降温速率为0.1~10℃/h,降温后的温度为120℃~170℃。本发明使用多级熔融结晶系统,有效提高精制M的收率,并在熔融状态粗M中预先加入质量分数1%~10%的溶剂,该溶剂可以降低硫磺在170℃左右的粘度,解决杂质在M晶体表面粘附的问题,提高成品M的纯度。

jHG6uV-U-jbcVe3eAc9ZDe8kK2yfq1SN.pdf

Copyright ©2026   濮阳市知识产权公共服务平台 All Rights Reserved.